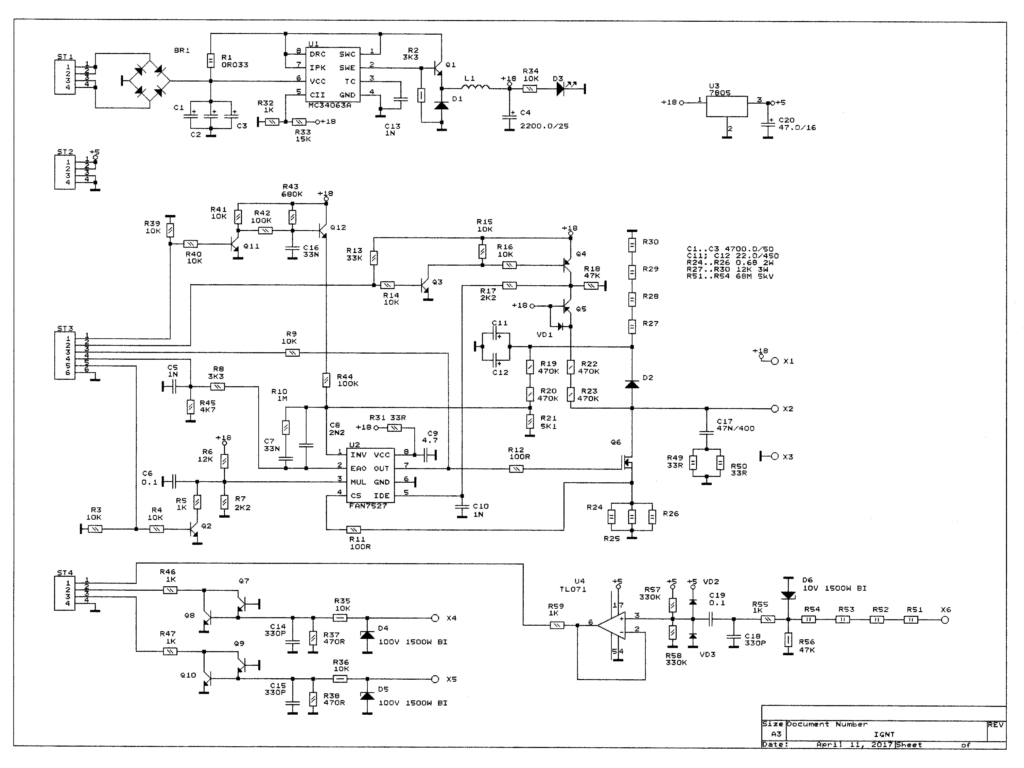
Taking in the account, that many readers of my blog have inquired regarding the schematics of the tester of ignition coils, you will find it below:
The tester itself is in the center of the screen, diagnostics probe hubs for automated (manageable from PC) solution are placed on the bottom.


