For N series petrol engines, electronic accelerator pedal, and electrical throttle are used. Nothing revolutionary new, so I will pay attention only to some nuances.
Accelerator pedal.
As can be read in BMW materials, two independent Holl type sensors are used to define the position of the pedal.
Sensors are completely separated – each of them has its own GND and +5V connection.
Voltage of sensor No.1: 0 .. 4V; proportional to pedal inclination angle;
Voltage of sensor No.2: 0 .. 2V; proportional to pedal inclination angle.
Sensor readings are described by the relationship: V2=V1/2
Note: actual sensor readings are different from readings, mentioned in BMW materials (sensor numbering is opposite)!
Sensor readings of accelerator pedal can be seen here: ../F5/F2/F4
Correct sensor readings: released pedal (idle):
Sensor No.1: 0,73V
Sensor No.2: 0,37V
Correct sensor readings in kick-down mode:
Sensor No.1: 4,10V
Sensor No.2: 2,05V
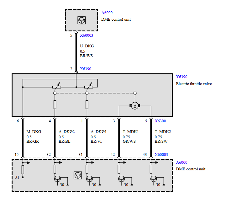
Throttle.
To control the throttle, two sensors (potentiometer type) with a cross curve are used:
Sensor readings are described by the relationship: V2=5-V1
Both sensors have joint GND and +5V connection
+5V is supplied from DME pin5; GND connection: from DME pin15.
Readings of throttle sensors: ../F5/F2/F4
Correct sensor readings
1. ignition ON; engine OFF [throttle in emergency mode – it’s defined by the spring, does not changes depending on the position of the accelerator pedal]:
Sensor No.1: 0,86V
Sensor No.2: 4,13V
2. Engine in idle, Homogeneous mode:
Sensor No.1: 0,59V;
Sensor No.2: 4,39V.
3. Engine in idle, Stratified charge:
Sensor No.1: 0,63V;
Sensor No.2: 4,36V.
As you see, double amount of air (Lambda = 2,00) is reached, when the readings of throttle are changing for 0,03 .. 0,04V – these are small changes of the signal. It means, that the sensors have to be in perfect technical condition, the otherwise uneven running of the engine is possible because of the jittering of the throttle.
Throttle adaptations can be seen here: ../F5/F3
Note: in Stratified charge, only multiplicative adaptation is used (and displayed), in Homogeneous mode – both multiplicative and offset type (which is called einspritzventile) adaptation.
Attention! The cause of reduced power (and limited opening of throttle) can be increased (over allowed limits) temperature of the engine.







