Already previously I have written regarding overvoltage problems of MSD80/81 management transistors of ignition coils.
If the ignition coils are equipped with snubbers, the problem mentioned previously is solved fundamentally.
But there is one more technical failure, made by Siemens engineers. In this time there will be more technical information because the problem itself is technical. As a result of this failure, the error message 30BA/30BB is recorded (for granted); injectors of one bank are turned off. Deleting of the error messages don’t help because DME itself is damaged.
Why it happens sometimes?
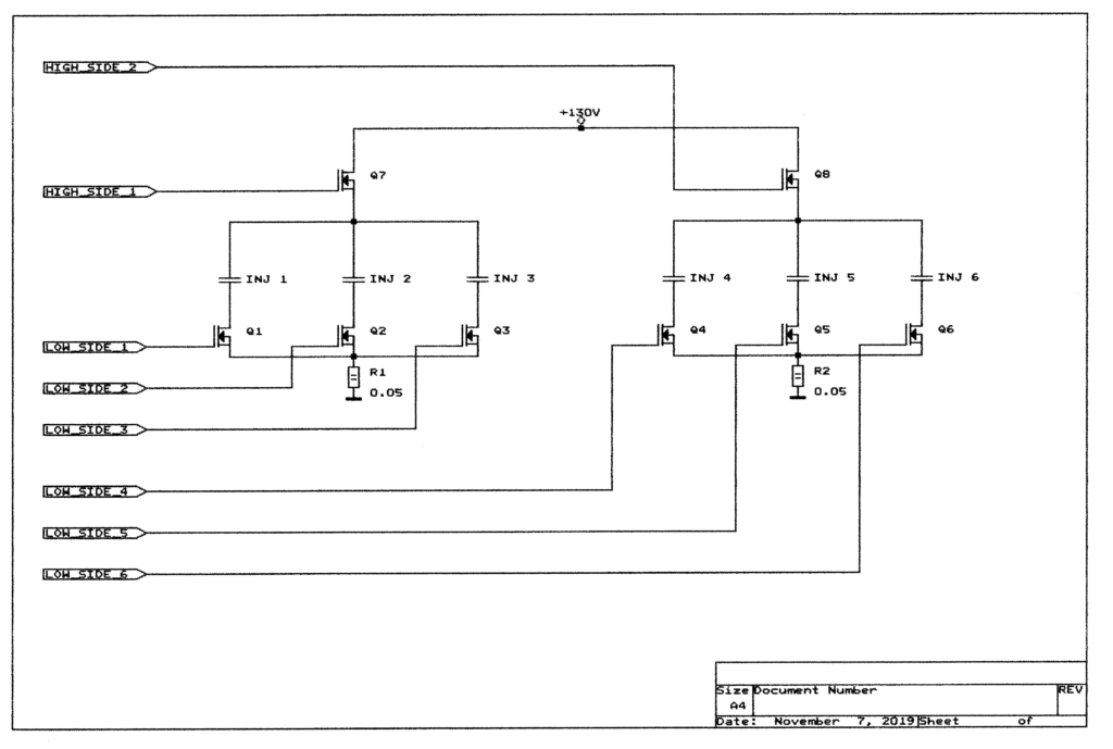
Management of injectors is organized in the following way:
- high-side switch: common for the whole bank;
- low-side switch: individual for each injector, the “active” injector is chosen via it.
Everything is wonderful, while the low-side switches are commuted correctly. It means, the active injector is chosen in time, then high-side switch works. 130V voltage via a high-side switch is supplied to the required injector. Low-side switches work in ZVS (Zero Voltage Switching) mode, they have no dynamic heat losses.
Unfortunately, if any of the low-side switches are damaged, the whole bank has to be turned off, because the high-side switch is common for the whole bank. If it not done, due to damaged low-side switch, 3X more fuel is injected in the damaged cylinder, also – in completely inadequate moments.
The fundamental problems start in the following situations:
- the cutoff procedure of any cylinder is happening (due to group misfires) and low-side switch is disconnected at the moment when high-side switch is opening (a);
- a low-side switch is disconnected before the high-side switch, it means – directly after (or a moment after) cutoff, the high-side switch is triggered, in this case – high-side module has no load, dU/dt is not limited (it is very high). Description of this problem is described below in this entry (b);
- DME shutdown, a restart of DME or Undervoltage happens at the moment when a high-side switch is triggered (but due to cold or hot restart, the low-side switch closes) (c);
- injector’s connection problems or internal damage (d).
More in detail regarding problem “b”.
By load 0 (corresponding low-side switch is closed), the high-side switch is opened with high-speed dU/dt. Yes, the max dU/dt, when MOSFET has damaged thanks to secondary breakdown or dU/dt max is overreached, will not be met. But, due to parasitic capacities of wires (from DME to injectors), overvoltage spikes, which significantly overreach Uds max, are possible.
The second aspect – by high dU/dt, the parasitic opening of MOSFET can happen (due to Reverse transfer capacitance), because Rgate is high: 100 Ohm. For IRF644 Ciss=1300pF; Crss=85pF (typical values, according to the Datasheet). Even calculating mathematically, becomes (in real-life conditions situation will be even worse), that by Uds around 50 .. 100V the transistor can open (will open) arbitrary. Accordingly, low-side MOSFET can start to generate or can be in the active mode for a moment (till Gate voltage will be discharged via Rgate). Heat dissipation will increase rapidly, Gate will be destroyed (voltage on it will exceed max allowed) and the transistors will be damaged.
In the case of “a” and “c” problem situations, the low-side switch turns out the active one, not the high-side switch (as in normal situations, as intended). Consequences – catastrophy. The rapid increase of Uds, overvoltage voltage spikes, parasitic openings of the switch – a full set. This is a situation that really can happen (and happens) but is not intended in the construction of DME. This is a fundamental fail!
Problem ”d”. Do NOT disconnect injectors if/when the engine is running! Also, no dot disconnect ignition coil(s) if the engine is running – use a corresponding test module for cylinders disabling if necessary.
To be honest, when knowing the possibility of such failure, I can not drive my BMW safely. This defect is a bomb with a time burner.
Solution: snubbers + overvoltage protection for each low-side switch, which consists of:
- R (22 .. 47R/3W, Pulse series) and C (33nF 250VDC, Polyester or Polypropylene), connected in series;
- TVS diode 200V; 600W (bi-directional), connected in parallel.
Snubbers have to be placed max close to DME (ideally – by low-side switches). These snubbers limit both dU/dt and Uds for low-side switches. The minimal program, which should be implemented: TVS protection for limitation of Uds.
Note: “repairs”, offered on the Internet, during which the damaged IRF644 are replaced with the same transistors, are completely useless. If the substitutes are, for example, FDB14N30, the situation is only a bit better (Ciss/Crss = 50, but Uds is low, only 300V).
When choosing SiHB30N60, the situation becomes much better. For these transistors Uds=650V; Ciss/Crss>100; it means – the transistor will survive the voltage spikes much better and will not open arbitrarily. Also, ISL9V5045S3ST is not a bad choice: Ciss/Crss>100, they have built-in overvoltage protection.
Simplified schematics of injectors management:
Q1 .. Q6: low-side switches
Q7; Q8: high-side push-pull type drivers (switches)
R1; R2: current sensing resistors
INJ 1 .. INJ 6: injectors
Schematics of a protection solution (4 or 6 pcs are required for N43/N53 series engine):
Figures 1 and 2: solution 1 (Figure 2: critical minimum);
Figures 3 and 4: solution 2 (Figure 4: critical minimum).



